Wyłączniki schodowe to nie tylko element wyposażenia, ale prawdziwy must-have w nowoczesnym domu! Dzięki nim zyskujemy kontrolę nad oświetleniem z różnych punktów, co znacząco poprawia komfort użytkowania. Już nie musimy biegać po ciemku, szukając wyłącznika, co zazwyczaj kończy się cichą potyczką z meblami. Na rynku znajdziemy różnorodne modele wyłączników, z których każdy ma swoje unikalne właściwości i zastosowania. Ciekawe, jakie jeszcze możliwości nam oferują?
Rodzaje wyłączników schodowych
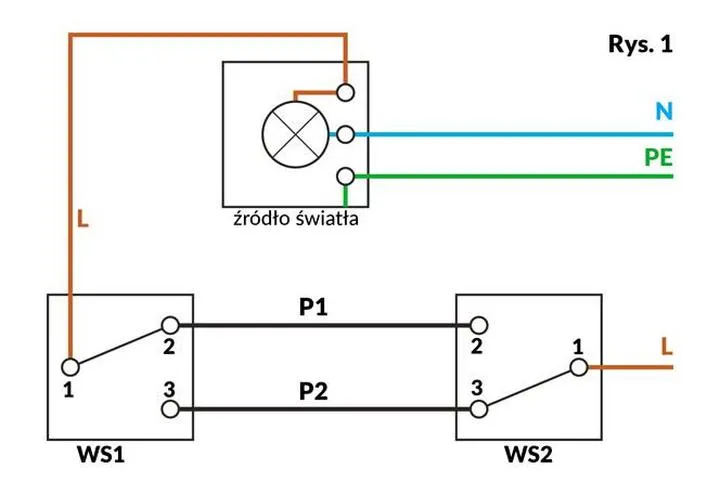
Wśród najczęściej spotykanych wyłączników schodowych wyróżniamy modele pojedyncze oraz podwójne. Pojedyncze umożliwiają włączanie światła z dwóch miejsc, natomiast podwójne oferują większe możliwości – pozwalają na kontrolę dwóch obwodów z jednego miejsca. Dla osób szukających czegoś więcej, dostępne są także wyłączniki krzyżowe, które umożliwiają sterowanie światłem z trzech lub większej liczby punktów. Warto zwrócić uwagę, że różne modele wpływają na koszty materiałów oraz montażu, przez co wydatki mogą wynosić od kilku do nawet kilkuset złotych, w zależności od wybranego typu i producenta.
Wpływ na koszt montażu
Gdy już zapoznamy się z różnorodnością wyłączników, nadchodzi czas na refleksję o wydatkach. Koszt montażu wyłącznika schodowego może znacznie się różnić w zależności od wyboru modelu oraz lokalizacji. W najtańszym wariancie, możemy spodziewać się wydatku rzędu 7-15 zł za prosty wyłącznik, natomiast nowoczesne modele dotykowe kosztują często ponad 150 zł za sztukę. Dodatkowo, nie zapominajmy, że jeśli zdecydujemy się zlecić montaż fachowcowi, to koszty mogą wzrosnąć, szczególnie w dużych miastach!

Podsumowując, dbając o wygodę i estetykę, powinniśmy również pamiętać, jak wybór wyłącznika schodowego wpływa na nasz domowy budżet. Dlatego warto rozważyć wszystkie dostępne opcje, planując instalację już na etapie budowy, a także zastanowić się nad samodzielnym montażem. Kto wie, może elektryka stanie się nową pasją, przynoszącą oszczędności? A jeśli nawet nie, przynajmniej nauczymy się, jak nie zgasić światła przed wyjściem z domu! 😉
| Rodzaj wyłącznika | Opisana funkcjonalność | Przykładowy koszt montażu |
|---|---|---|
| Pojedynczy | Umożliwia włączanie światła z dwóch miejsc | 7-15 zł |
| Podwójny | Kontrola dwóch obwodów z jednego miejsca | Od kilku do kilkuset złotych |
| Krzyżowy | Sterowanie światłem z trzech lub większej liczby punktów | Od kilku do kilkuset złotych |
| Nowoczesny dotykowy | Zaawansowane funkcje sterowania | Powyżej 150 zł |
Czy wiesz, że wyłączniki schodowe mogą również oferować dodatkowe funkcje, takie jak możliwość programowania harmonogramów włączania i wyłączania światła, co pozwala na oszczędność energii i zwiększa bezpieczeństwo domu podczas naszej nieobecności?
Czy samodzielny montaż wyłącznika schodowego to oszczędność czy pułapka?
Decyzja o samodzielnym montażu wyłącznika schodowego to z pewnością temat wart przemyślenia. Z jednej strony, może się wydawać prostą sprawą. W końcu wystarczy wykonać kilka ruchów, aby zamienić jeden przycisk w magiczne urządzenie, które pozwala gasić światło z dwóch różnych miejsc! Z drugiej strony, ta sama fantazja może prowadzić do pułapki wysokich rachunków za prąd lub, co gorsza, do awarii, która przyniesie więcej szkody niż pożytku. Czy oszczędność przy montażu wyłączników naprawdę się opłaca, jeśli stawką może być nasze bezpieczeństwo?
Jakie są zalety samodzielnego montażu?
Samodzielny montaż wyłącznika schodowego przypomina misję prosto z filmu akcji – znajdujesz instrukcję, kupujesz potrzebny sprzęt, a następnie, bez wahania, zabierasz się do pracy i... zapewne zakładasz okulary ochronne dla dodatkowego efektu! Korzystając z tej możliwości, zyskujesz nie tylko satysfakcję z własnoręcznie wykonanej roboty, ale także oszczędności, które w każdym portfelu mają ogromne znaczenie. Koszty profesjonalnego montażu mogą przyprawić o zawrót głowy, natomiast w przypadku wyłączników schodowych wystarczy kilka prostych kroków, by cieszyć się blaskiem światła na każdym poziomie domu. Samodzielnie możesz również zapewnić sobie komfort zapalania światła z sypialni, nie martwiąc się przy tym o to, że zgasisz je gdzieś na korytarzu!
Czy są jakieś wady?
Niech pułapki nie będą ukryte jedynie w ciemnych zakamarkach! Warto pamiętać, że proces montażu wymaga odrobiny wiedzy elektrycznej. Nie chcesz przecież, aby twój najnowszy wyłącznik został gwiazdą reality show dotyczącego pokonywania przeszkód prądowych! Zainwestowanie w kilka akcesoriów, takich jak taśmy izolacyjne czy puszki podtynkowe, może zapewnić ci większe bezpieczeństwo. Jakiekolwiek zaniedbanie podczas montażu grozi iskrą lub, w najgorszym scenariuszu, wizytą prawdziwego elektryka, co sprawi, że skrupulatnie wyliczone oszczędności prysną jak bańka mydlana.

Poniżej przedstawiam kilka punktów, które warto wziąć pod uwagę, myśląc o samodzielnym montażu wyłącznika schodowego:
- Wymagana wiedza dotycząca instalacji elektrycznych
- Potrzebne narzędzia i akcesoria, takie jak taśmy izolacyjne
- Możliwość popełnienia błędów, które mogą prowadzić do zagrożenia
- Potencjalne oszczędności w porównaniu do usług fachowca
- Społeczna satysfakcja z wykonania pracy samodzielnie

Podsumowując, samodzielny montaż wyłącznika schodowego to wspaniała zabawa, która obfituje w odrobinę ryzyka! Zyskasz nie tylko oszczędności, ale również poczucie spełnienia. Pamiętaj jednak o odpowiednim przygotowaniu, bo z pozornie prostego wyłącznika może pojawić się wiele problematycznych sytuacji. Dlatego, jeśli nie czujesz się pewnie w tej dziedzinie, lepiej zaufać fachowcom. A jeśli uda się wszystko sprawnie zrealizować, z radością ogłosisz: „Światło gasi się tutaj, a ja tu zostaję!”
Koszty ukryte związane z montażem wyłącznika schodowego – na co zwrócić uwagę?
Montaż wyłącznika schodowego stanowi doskonały sposób na podniesienie komfortu w Twoim domu. Dzięki niemu masz możliwość zapalania i gaszenia światła z różnych miejsc, co okazuje się szczególnie przydatne w przypadku klatek schodowych. Zanim jednak zaczniesz cieszyć się z tej funkcjonalności, musisz mieć na uwadze tzw. ukryte koszty, które mogą Cię zaskoczyć. Przede wszystkim, nie chodzi tylko o wydatek związany z zakupem włącznika. Warto również rozważyć koszty związane z jego instalacją, a w razie potrzeby skorzystania z usług elektryka, poniesiesz dodatkowe wydatki. Dlatego zastanów się nad lokalnym rynkiem, porównując ceny, aby zdecydować, czy chcesz to wszystko załatwiać samodzielnie, czy może lepiej powierzyć to specjalistom.
Co więcej, nie zapomnij o dodatkowych elementach, które mogą okazać się niezbędne. Możesz potrzebować puszek, taśmy izolacyjnej oraz innych akcesoriów do montażu. Dodatkowo, upewnij się, czy dysponujesz odpowiednimi przewodami, a także pamiętaj, aby nie oszczędzać na materiałach – wybór tańszych produktów może prowadzić do wysokich wydatków na późniejsze poprawki. W końcu mamy tu do czynienia z klasycznym efektem domina, który sprawia, że prosty montaż łatwo zamienia się w katastrofę!
Ponadto, nie zapominaj o stylu!
Jak pewnie zauważyłeś, wyłączniki schodowe występują w różnych kolorach i stylach, co pozwala na ich dopasowanie do wystroju wnętrz. Jednak czy jesteś przygotowany na dodatkowe koszty, jeśli zdecydujesz się na bardziej ekskluzywne modele? Niekiedy różnica w cenie między standardowym a designerskim wyłącznikiem może być naprawdę znaczna. W końcu pragniesz, aby Twoje mieszkanie prezentowało się zjawiskowo, ale wiąże się to z tym, że Twoje wydatki także mogą okazać się większe. Dlatego warto dokładnie przemyśleć, co wolisz: funkcjonalny, ale prosty włącznik, czy może designerską wersję premium, która zachwyca wyglądem, lecz może zrujnować Twój budżet. Ten wybór może być trudny, ale to właśnie życie zmusza nas do sztuki kompromisu!
Poradnik: Jak wybrać odpowiedniego elektryka do montażu wyłącznika schodowego?
Wybierając odpowiedniego elektryka do montażu wyłącznika schodowego, możesz poczuć się przytłoczony, ale nie ma potrzeby do zmartwień! Stosując kilka prostych wskazówek, szybko odnajdziesz fachowca, który nie tylko zabezpieczy Twoje oświetlenie, ale także zada blasku Twojemu domowi. W pierwszej kolejności warto sprawdzić kwalifikacje potencjalnego elektryka. Upewnij się, że dysponuje odpowiednimi certyfikatami, ponieważ nikt nie chciałby wrócić do czasów świec z powodu braku uprawnień ze strony wybranego fachowca. Gdy tylko poczujesz wątpliwości, nie wahaj się poprosić o referencje – niech inni potwierdzą jego umiejętności!
Następnie, kluczowym krokiem staje się omówienie zakresu prac oraz kosztorysu. Dobry elektryk powinien jasno wyjaśnić, co zamierza zrealizować, jakie materiały będą niezbędne oraz jakie będą całkowite koszty. Staraj się unikać niespodzianek, które mogą wiązać się z nieprzewidzianymi wydatkami czy błędami w montażu. Warto poświęcić czas na zrozumienie, co kryje się za ceną usługi, aby uniknąć płaczu nad spalonym lampionem czy nieprawidłowo działającym wyłącznikiem.
Na co zwrócić uwagę przy wyborze elektryka?

Podczas poszukiwań zwróć uwagę na opinie o elektryku w internecie. Czy inni polecają jego usługi? Czy potrafi szybko i skutecznie rozwiązywać problemy? Dobrze oceniani fachowcy często mają pełne ręce roboty, dlatego warto zarezerwować ich usługi z wyprzedzeniem. Nie omijaj także zadawania pytań! To całkowicie normalne, że chcesz być świadomy tego, co dzieje się w Twoim domu. Dobry elektryk z chęcią wyjaśni każdy etap montażu, co pozwoli Ci siedzieć spokojnie, wiedząc, co tak naprawdę się dzieje.
Pamiętaj, że wybór elektryka to inwestycja w bezpieczeństwo Twojego domu. Dobrze zainwestowane pieniądze w doświadczonego fachowca zapewnią Ci spokojny sen, wiedząc, że wyłącznik schodowy działa jak należy. Na koniec pamiętaj o najważniejszej zasadzie – nie oszczędzaj na elektryce! Jeśli marzysz o pięknie oświetlonym domu, unikaj ciemności jak ognia!
- Sprawdź kwalifikacje elektryka.
- Poproś o referencje od wcześniejszych klientów.
- Omawiaj szczegółowo zakres prac i kosztorys.
- Upewnij się, że elektryk dysponuje odpowiednimi materiałami.
- Zadaj pytania dotyczące wykonania usługi.
Oto kilka ważnych wskazówek, które pomogą Ci w wyborze odpowiedniego elektryka.
Źródła:
- https://www.mgprojekt.com.pl/blog/wylacznik-schodowy/
- https://ardant.pl/blog/wylacznik-schodowy-schemat-instalacja-zasada-dzialania/
- https://elektrykapradnietyka.com/18502/montaz-lacznika-schodowego-i-krzyzowego/
- https://www.extradom.pl/porady/artykul-cennik-uslug-elektrycznych-ile-kosztuje-podlaczenie-nowo-wybudowanego-domu-do-pradu
- https://www.instal-budex.pl/cennik---instalacje-elektryczne.html










